0755-23736280

µØ Ö·£ºÉîÛÚÊÐ×ÆË¸ÇøÓñÌÁ½ÖµÀ¹âÇÈ´óµÀ1028ºÅ»ã¶«êɹ¤ÒµÔ°1¶°9Â¥
µç »°£º0755-23736280 ?
0755-23736281
ÊÖÒÕÖ§³Ö£º0755-82778786
´« Õæ£º0755-26746512
ÓÊÏ䣺sales@mchlight.com
¹âÏË»·ÐÐÆ÷ÄúÄ¿½ñËùÔÚλÖãºÊ×Ò³ > ²úÆ·ÖÐÐÄ > ÎÞÔ´²úÆ· > ¹âÏË»·ÐÐÆ÷ > 2000nm¸ß¹¦Âʱ£Æ«¹âÏË»·ÐÐÆ÷
²úÆ·Ãû³Æ : 2000nm¸ß¹¦Âʱ£Æ«¹âÏË»·ÐÐÆ÷
²úÆ·ÐͺţºMCHPCIR-2000-10-P-10-F-P10/130/15D-10-L-N
ÊÂÇ鲨³¤:1950nm 2000nm 2050nm
¹¦ÂÊ : 1W 2W 5W 10W 20W
¹âÏËÀàÐÍ : PM1950 PM-GDF-10/130-2000-M PLMA-GDF-25/250-09M

|
²úÆ·ÌØµã
|
Ó¦ÓÃÁìÓò
|
|
µÍ²åÈëÏûºÄ
|
¹âÏ˼¤¹âÆ÷
|
|
¸ß¸ôÀë¶È/¸ßÏû¹â±È
|
¹âÏË·Å´óÆ÷
|
|
¸ßÔâÊܹ¦ÂÊ
|
¹âÏË´«¸Ð/Ïà¹ØÍ¨Ñ¶
|
|
²ÎÊý
|
µ¥Î»
|
ÊýÖµ
|
|
ÖÐÐIJ¨³¤
|
nm
|
1950/2000/2050
|
|
ÊÂÇ鲨³¤¹æÄ£
|
nm
|
±30
|
|
·åÖµ¸ôÀë¶È£¨Type£©
|
dB
|
20
|
|
¸ôÀë¶È (min)
|
dB
|
16
|
|
²åÈëÏûºÄ£¨Type£©
|
dB
|
1.3
|
|
²åÈëÏûºÄ (max)
|
dB
|
1.5
|
|
Ïû¹â±È£¨min£©
|
dB
|
18(Type B), 20(Type F)
|
|
ÔâÊܹ⹦ÂÊ
|
W
|
10,15
|
|
·åÖµ¹¦ÂÊ£¨Âö³å£©
|
KW
|
1 5 10 20¿ÉÑ¡
|
|
ÊÂÇéÖá
|
-
|
µ¥ÖáÊÂÇé or Ë«ÖáÊÂÇé
|
|
´®ÈÅ£¨min£©
|
dB
|
50
|
|
»Ø²¨ÏûºÄ£¨min£©
|
dB
|
45
|
|
¹âÏËÀàÐÍ
|
-
|
PM1950, PM-GDF-10/130-2000-M,
PLMA-GDF-25/250-09M
|
|
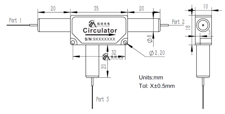
·â×°³ß´ç
|
mm
|
Φ5.5xL35or20x15x8or35x18x10
|
|
ÊÂÇéζÈ
|
¡æ
|
-5~+50
|
|
´æ´¢Î¶È
|
¡æ
|
-40~+85
|


|
MCHPCIR
|
¢Ù
|
¢Ú
|
¢Û
|
¢Ü
|
¢Ý
|
¢Þ
|
¢ß
|
¢à
|
|
ÊÂÇ鲨³¤
|
¹¦ÂʾÞϸ
|
¹¦ÂÊÀàÐÍ
|
·åÖµ¹¦ÂÊ
|
ÊÂÇéÖá
|
¹âÏËÀàÐÍ
|
βÏ˳¤¶È
|
βÌ×ÀàÐÍ
|
|
|
1950-1950nm
2000-2000nm
2050-2050nm
|
5-5W
10-10W
15-15W
|
P-Âö³å
C-Ò»Á¬
|
0-Ò»Á¬¹â
10-10KW
20-20KW
|
B-Ë«ÖáÊÂÇé
S-ÂýÖá×èÖ¹
F-¿ìÖá×èÖ¹
|
P15-PM1550
P10/130/15D-PLMA-GDF-10/130-15M
|
08-0.8m
10-1.0m
15-1.5m
S-ÆäËü
|
B-250umÂãÏË
L-900umÌ×¹Ü
S-ÆäËü
|