0755-23736280

µØ Ö·£ºÉîÛÚÊÐ×ÆË¸ÇøÓñÌÁ½ÖµÀ¹âÇÈ´óµÀ1028ºÅ»ã¶«êɹ¤ÒµÔ°1¶°9Â¥
µç »°£º0755-23736280 ?
0755-23736281
ÊÖÒÕÖ§³Ö£º0755-82778786
´« Õæ£º0755-26746512
ÓÊÏ䣺sales@mchlight.com
¹âÏËË¥¼õÆ÷ÄúÄ¿½ñËùÔÚλÖãºÊ×Ò³ > ²úÆ·ÖÐÐÄ > ÎÞÔ´²úÆ· > ¹âÏËË¥¼õÆ÷ > 2050nmÔÚÏßʽ¿Éµ÷¹âÏËË¥¼õÆ÷
²úÆ·Ãû³Æ : 2050nmÔÚÏßʽ¿Éµ÷¹âÏËË¥¼õÆ÷
²úÆ·ÐͺţºMCVOA-2050-L-S19-10-L-FA
ÊÂÇ鲨³¤:2050nm
¹¦ÂÊ : 500mW
¹âÏËÀàÐÍ : SMF-28e SM1950

¹âÏËË¥¼õÆ÷ÊÇÒ»ÖÖÄܽµµÍ¹âÐźÅÄÜÁ¿µÄ¹âÆ÷¼þ£¬£¬£¬£¬£¬£¬£¬ÓÃÓÚ¶ÔÊäÈë¹â¹¦ÂʵÄË¥¼õ£¬£¬£¬£¬£¬£¬£¬×èÖ¹ÁËÓÉÓÚÊäÈë¹â¹¦ÂʹýÇ¿Ôì³ÉÎüÊÕ×°±¸µÄË𺦣¬£¬£¬£¬£¬£¬£¬ÐÇ¿ÕÊÖ»úÍøÒ³°æ¹âµç¿ÉÒÔÌṩ²î±ð²¨³¤µÄÀο¿Ê½Ë¥¼õÆ÷ºÍÔÚÏ߿ɵ÷ʽ˥¼õÆ÷¡£¡£¡£¡£¡£¡£¡£¡£
|
²úÆ·ÌØµã
|
Ó¦ÓÃÁìÓò
|
|
¿í²¨³¤ÊÂÇ鹿ģ
|
¹âÏ˼¤¹âÆ÷¡¢¹âÏË·Å´óÆ÷
|
|
¸ßÎȹÌÐԺͿɿ¿ÐÔ
|
¹âÏË´«¸Ð
|
|
½á¹¹½ô´Õ
|
¹âÏËͨѶ/ÒÇÆ÷ÒDZí
|
|
²ÎÊý
|
µ¥Î»
|
ÊýÖµ
|
|
ÖÐÐIJ¨³¤
|
nm
|
2050
|
|
ÊÂÇé´ø¿í
|
nm
|
±50
|
|
×î´ó¸½¼ÓÏûºÄ
|
dB
|
0.8
|
|
×î´óË¥¼õÁ¿
|
dB
|
60
|
|
Æ«ÕñÏà¹ØÏûºÄ
|
dB
|
0.1
|
|
»Ø²¨ÏûºÄ
|
dB
|
50
|
|
ÔâÊܹ¦ÂÊ CW
|
mW
|
500
|
|
¹âÏËÀàÐÍ
|
-
|
SMF-28e SM1950»òÆäËü
|
|
¹âÏ˳¤¶È
|
m
|
1»òÆäËü
|
|
Á¬ÌÖÂÛÀàÐÍ
|
-
|
FC/APC»òÕ߯äËü
|
|
×î´óÀÁ¦
|
N
|
5
|
|
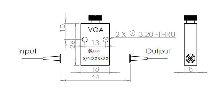
·â×°³ß´ç
|
mm
|
26x18X8
|
|
ÊÂÇéζÈ
|
¡æ
|
-5¡«+70
|
|
Öü´æÎ¶È
|
¡æ
|
-40¡«+85
|

|
MCVOA
|
¢Ù
|
¢Ú
|
¢Û
|
¢Ü
|
¢Ý
|
¢Þ
|
|
ÊÂÇ鲨³¤
|
ÔâÊܹ¦ÂÊ
|
¹âÏËÀàÐÍ
|
βÏ˳¤¶È
|
βÌ×ÀàÐÍ
|
Á¬ÌÖÂÛÀàÐÍ
|
|
|
2050-2050nm
S-ÆäËü
|
L-≤0.5W
S-ÆäËü |
S2-SMF-28e
S19-SM1950
|
08-0.8m
10-1.0m
15-1.5m
S-ÆäËü
|
B-250umÂãÏË
L-900umÌ×¹Ü
S-ÆäËü
|
N-None
FP-FC/PC
FA-FC/APC
S-ÆäËü
|